Hebebühne / Kippvorrichtung
Nachdem es soweit war, das ich auf meiner Modellbahn Waggons mit Sand befüllen konnte, brauchte ich natürlich auch eine Möglichkeit, die Waggons wieder zu entladen.
Auch hier galten die gleichen Vorgaben wie bei dem Sandsilo:
Da auf dem einschlägigen Markt nichts zu finden war, was meinen Vorstellungen entsprach, habe ich mich für den Selbstbau einer Hebebühne / Hebevorrichtung entschieden, welche im Prinzip wie die Ladepritsche eines LKWs funktioniert.
|
Das folgende Bild zeigt die Hebebühne im Ruhezustand Als eigentliche Bühne habe ich ein märklin-Rampenstück 7268 (74618) verwendet und ein gerades Metallgleis 5160 eingesetzt. Der Mittelleiter des Gleisstücks wurde komplett entfernt und die Oberseite des Gleises mit einer Lage Holzplanken verkleidet.
|
|
Bei dem zum Einsatz kommenden Waggon handelt es
sich um einen offenen Güterwagen vom Typ Eaos (4689) mit 16,1 cm
Länge. Eine Kopfseite wurde entfernt und durch eine Schütte ersetzt.
|
Die folgenden Bilder zeigen die Hebebühne 'in Aktion'. |
![]() |
![]() |
Eine der ersten Fragen von Besuchern lautet
meistens: Und wie hebst Du die Bühne an ?
Natürlich kann ich mir keine echte Hydraulik leisten und auch der erforderliche
Platz dafür wäre kaum vorhanden.
Außerdem wäre die Hubkraft eines solchen Antriebs um ein vielfaches
überdimensioniert.
Bei mir tut's ein einfacher Getriebemotor.
Die folgende Zeichnung zeigt das Prinzip der Hebebühne:

Unter der Platte befindet sich ein langsam
laufender Gleichstrom-Motor. Er ist über das Zugseil mit dem beweglichen Teil
der Hebebühne verbunden.
Zum Anheben der Bühne wird das Zugseil auf die -auf der Welle des Motors
befindliche- Seiltrommel aufgespult.
Das Zugseil wirkt auf Punkt A und zieht den unteren Schenkel der
Winkelverbindung zu sich heran.
Über die Achse wird diese Bewegung auf die Bühne übertragen und diese beginnt
sich zu heben.
Die Hubgeschwindigkeit lässt sich u.a. durch
- die Drehzahl des Motors,
- den Abstand des Punktes A von der Achse und
- den Durchmesser der Seiltrommel
in gewissen Grenzen regeln.
Die -in der Zeichnung blau gezeichnete-
Winkelkonstruktion besteht aus 6 mm starken Sperrholz und ist im waagerechten
Teil mit dem Rampenstück verschraubt.
Die Achse wurde mit einem 2-Komponentenkleber (Stabilit-Express, UHU-Plus o.ä.)
mit der Winkelkonstruktion verklebt. Sie besteht aus einem Alu-Rohr mit 6mm
Außen- und 4mm Innendurchmesser.
In das Rohr lassen sich 2 Schrauben mit 4mm Metallgewinde einschrauben, welche
dann den Drehpunkt der Bühne bilden.
__________________________
Wenn die mechanische Fertigung schon aufwendig
erscheint, so steht die benötigte Elektrik / Elektronik dem
um nichts nach !
Da der Getriebemotor die Bühne heben und senken
muß, muß er auch in beide Richtungen drehen können.
Am leichtesten lässt sich die Drehrichtung bei Gleichstrom-Motoren umkehren.
Das folgende Bild zeigt die prinzipielle Schaltung:
Bild 7
Durch die Verwendung von 2 gekoppelten Umschaltern kann die Drehrichtung geändert werden.
Bei den Schaltungen nach Bild 7 würde der Motor
jedoch ständig in eine der beiden Richtungen laufen.
Wir müssen folglich eine Abschalt-Möglichkeit vorsehen.
Bild 8
Ein Schalter unterbricht den Stromfluss in beiden Richtungen.
Bleibt aber immer noch die Frage, mit welchem
Bauteil wir die Umschaltung der Drehrichtung vornehmen wollen.
Möglich wäre z.B. ein Schalter mit zwei Umschaltkontakten.
Die Dinger sind aber nicht so leicht zu beschaffen, teuer und meist viel zu
unförmig.
Einfacher ist die Verwendung eines Relais mit der entspr. Kontaktausstattung.
Bild 9
Mit der Schaltung nach Bild 9 hätten wir eigentlich eine gute Möglichkeit, die
Hebebühne zu steuern.
Wenn da nicht noch ein Problem wäre:
Der Aus-/Ein-Schalter beendet das Heben bzw. das Absenken der Hebebühne.
Was aber, wenn der Schalter zu spät oder aber überhaupt nicht betätigt wird ?
Beim Absenken wird sich nicht viel ereignen- schlimmstenfalls wickelt sich das
Zugseil von der Seiltrommel und der Motor dreht leer weiter.
Beim Heben der Bühne sieht das allerdings ganz anders aus:
Ein langsam laufender Getriebemotor entwickelt ganz schöne Kräfte und ist ohne
weiteres in der Lage, das Zugseil zu zerreißen oder andere mechanische Schäden
an der Bühne hervorzurufen.
Um solches Unheil zu verhindern, empfiehlt es sich, den Hubweg zu elektrisch /
elektronisch zu überwachen und beim Erreichen des oberen Grenzpunktes den
Hubvorgang zu unterbrechen.
Bild 10
Eine solche Sicherheitschaltung kann sehr einfach durch
einen Mikroschalter realisiert werden. Diese Schalter sind recht preiswert und
in vielen Bauarten zu bekommen.
Der Mikroschalter wird mit der Ruheseite seines Kontaktes in die
Zuleitung zum Motor geschaltet, welche beim Heben stromführend ist, und öffnet den Stromkreis sobald z.B. der
vertikale Schenkel der Winkelverbindung auf ihn einwirkt.
Wer sich einen weiteren Endschalter -für den unteren
Anschlag- gönnt, kann sich den Aus-/Ein-Schalter sparen, da die Bühne dann beim
Erreichen beider Endstellungen automatisch angehalten wird.
In diesem Falle reicht dann das Umschalten des Relais, um die Bühne zu heben
bzw. abzusenken.
__________________________
Kommen wir nun zum eigentlichen Entladevorgang.
Am einfachsten ist die Verwendung einer Lokomotive mit TELEX-Kupplung:
- die Lok rangiert den Waggon auf die Hebebühne,
- kuppelt ab,
- fährt aus dem Einflussbereich der Hebebühne,
- der Waggon wird angehoben und wieder abgesenkt,
- die Lok fährt vor,
- kuppelt an und
- zieht den Waggon von der Bühne.
Wer keine Lok mit TELEX-Kupplung hat, - es genügt
auch eine Lok mit einem einfachen Kupplungshaken !
Die folgende Zeichnung zeigt das Prinzip:
Bild 11
Dazu muß der Prellbock auf der Hebebühne so
eingestellt werden, das der Waggon mit dem lokseitigen Radsatz schon auf der
Bühne steht, die Kupplung aber über noch die Bühne hinausragt.
Die Lok sollte so anhalten, dass der Abstand der Waggonpuffer zum Prellbock max.
1mm beträgt (*) .
Beim Anheben hebt sich dann die Kupplungs-Öse des Waggons vom Kupplungshaken der
Lok und kuppelt den Waggon ab.
|
(*) Bei einem größeren Abstand würde der Waggon ansonsten beim Anheben zum Prellbock rollen und einen absolut unnatürlichen Eindruck erwecken. Drückt die Lok dagegen den Waggon an den Prellbock, kann es passieren, das beim Heben der Bühne die Lok für einen kurzen Moment über die Puffer mit angehoben wird und anschließend auf das Gleis zurückfällt. Auch nicht gerade eine Augenweide. |
Nun ist es aber gar nicht so einfach, diese Distanz
mit der Lok einzuhalten, zumal, wenn die Hebebühne etwas weiter entfernt vom
Fahrpult entfernt ist.
Ich habe darum in das Zufahrtsgleis einen Anschlag eingebaut, welcher über den
Schleifer der Lok diese zum einen mechanisch anhält und zum anderen einen
elektrischen Kontakt auslöst.
Da der Anschlag mit einem Langloch versehen ist, lässt sich die erforderliche
Distanz sehr präzise und stabil einstellen.
Der Einbau des Anschlags hat einen weiteren Vorteil:
Da sich der Waggon beim Anheben kaum bewegt (bewegen kann), wird beim Absenken
die Kupplungs-Öse wieder exakt über den Kupplungshaken gelegt. und die Lok kann
-nach wechseln der Fahrtrichtung- sofort mit dem Waggon abfahren.
Der bereits erwähnte elektrische Kontakt lässt sich mit der folgenden Schaltung
auswerten.
Die Schaltung ist für analogen und digitalen Betrieb geeignet.

Schaltungsbeschreibung:
Sobald die Lok mit dem Schleifer an den Anschlag fährt, fließt der
Fahrstrom / Digitalstrom über den 1kOhm-Widerstand durch den Optokoppler gegen
Masse. Der Transistor im Optokoppler lässt das K-Relais anziehen und seinen
k1-Kontakt schließen.
Über k1 kann z.B. eine Kontrolllampe eingeschaltet werden.
Für Digital-Fahrer wurde das
I -Relais vorgesehen.
Dieses Relais zieht ebenfalls über den k1-Kontakt an. Allerdings nur solange,
bis der im Stromkreis liegende Kondensator von 1.000µF aufgeladen ist. Dann
fällt
I -Relais wieder ab und
liefert somit über i1 einen Masse-Impuls von ca. 4 - 5 Sekunden.
Dieser Impuls könnte von einem Rückmeldemodul ausgewertet und z.B. die Lok
autom. angehalten werden.
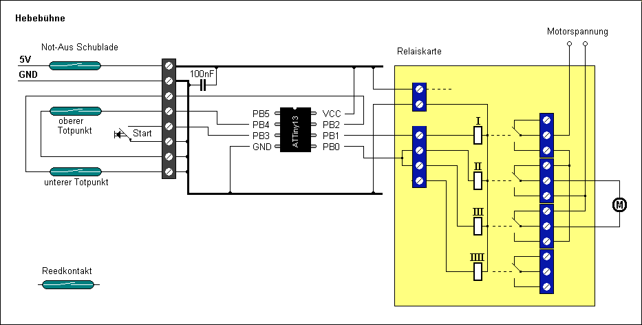
Steuerung der Hebebühne mittels MicroController (>> µC)
Neben einer Steuerung der Hebebühne von Hand bzw. via Relais ist es natürlich
ebenfalls möglich, einem µC die Arbeit zu überlassen.
Damit der µC ' weiß' wo sich die Bühne gerade befindet, sind am oberen
und unteren Totpunkt/ Anschlag Reedkontakte angebracht.
Ein dritter Kontakt ist für die Schublade vorgesehen, in welche das Schüttgut
abgeladen wird. Da sich dieser Kontakt in der Zuleitung befindet ist es nicht
möglich ohne Schublade die Hebebühne in Bewegung zu setzen. Auch zum NOTAUS
ist die Schublade geeignet.
Sollte nach einem NOTAUS der Strom zurückkommen (Schublade wieder
eingeschoben) fährt der µC die Hebebühne wieder in die untere Stellung.
Danach kann mit der Starttaste der Hubvorgang erneut gestartet werden.
Als µC eigen sich z.B, ATTTiny13, ATTiny45 oder ATTiny85.

| Programmierung des MicroControllers |
|
DDRB = &B11100011 PORTB = &B00011100 ' --- PortB.0 = Relais für Heben / Senken Richtung ' --- POrtB.1 = Relais für Heben / Senken Motor ' --- PortB.2 = unterer Anschlag ' --- PortB.3 = Starttaste ' --- PortB.4 = unterer Anschlag ' --- HS-Relais = umschalten zwischen Heben und Senken ' --- HS-Motor = Motor zum Heben bzw. Senken +++++++++++++++++++++++++++++++++++++++++++++++++++++++++++++++++ ' --- sollte die Stromversorgung unterbrochen worden sein (NOTAUS, z.B. entfernen der Schublade) ' --- wird beim Wiedereinschalten die Bühne zum unteren Totpunkt/Anschlag gefahren Do Do PORTB.1 = 1 ' --- HS-Motor einschalten Loop Until PINB.2 = 0 PORTB.1 = 0 ' --- HS-Motor ausschalten ' +++++++++++++++++++++++++++++++++++++++++++++++++++++++++++++++++ ' ---------------------------------------------------------- Hauptschleife Do If PINB.3 = 0 Then Exit Do ' --- warten auf Starttaste Loop Waitms 1000 ' --- Pause PORTB.0 = 1 ' --- HS-Relais einschalten Waitms 100 ' --- Pause PORTB.1 = 1 ' --- HS-Motor einschalten Do Loop Until PINB.4 = 0 ' --- warten auf oberen Anschlag PORTB.1 = 0 ' --- HS-Motor abschalten PORTB.0 = 0 ' --- HS-Relais abschalten Waitms 4000 ' --- Pause PORTB.1 = 1 ' --- HS-Motor einschalten Do Loop Until PINB.2 = 0 ' --- warten auf unteren Anschlag Waitms 2000 ' --- Pause PORTB.1 = 0 ' --- HS-Motor abschalten Loop End |